Milwaukee Pump Company
- Home
- Companies
- Milwaukee Pump Company
- Products
- Milwaukee - Model DSGP1 - 2 HP Grinder ...
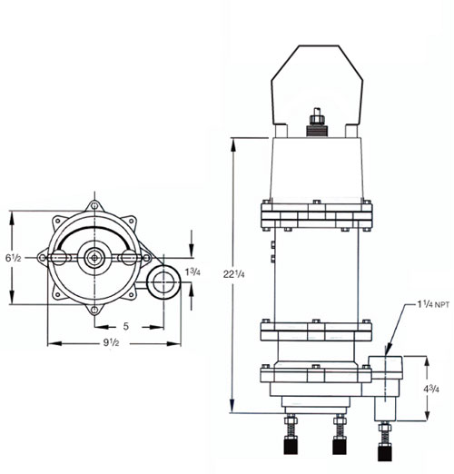
Milwaukee - Model DSGP1 -2 HP Grinder Pump
Hardened 440 SST (56-60 Rockwell) shredding ring & grinder impeller macerates domestic sewage into a fine slurry. Double mechanical seal - Silicone Carbide (main) Carbon Ceramic (Secondary). Vortex impeller, helps prevent clogging and increases bearing life. Dual sealing chambers with moisture detection. Ductile Iron impeller, recessed, clog free. Run/Start capacitor in cap.
Most popular related searches
2 HP grinder pump
grinder pump
silicon carbide ceramic
domestic sewage
domestic sewage sludge
macerator
sewage
sewage macerator
sewage sludge
- Discharge: 1-1/4" NPT. Vertical
- Motor Housing: Ductile Iron
- Volute: Ductile Iron
- Seal Plate: Ductile Iron
- Liquid Temperature: 140ºF (Intermittent) 120ºF (Continuous)
- Impeller: Ductile Iron, 10 vane Vortex, Dynamically Balanced
- Shaft: Stainless Steel
- Shaft Seal: Main-Mechanical Silicone-Carbide, Secondary-Carbon-Ceramic
- Bearing(Upper & Lower): Single Row, Ball, Lubricated
- Hardware: 300 Series, Stainless Steel
- Square Rings: Buna-N
- Cord: 30` length UL/C Listed 14 AWG.Type SOOW
- Motor (Single Phase): 2HP, 3450 RPM, 60 Hz, Oil Filled, 200/230 Volt
- NEMA L includes motor overload protection Class F, Capacitor start/run.


