- Home
- Companies
- TOC Systems, Inc.
- Products
- StarTOC - Automatic Multi-Method TOC ...
StarTOC - Automatic Multi-Method TOC Analyzer
Five Oxidation Methods in One Analyzer. 103 Sample Stations & 1 Wash Station. Dual NDIRs. Widest Dynamic Range. Ease of operation with familiar Windows Software. Reliability Through Simplicity.
High Temperature Combustion
For difficult to oxidize or high TOC concentration sample requiring good accuracy of analysis or in industrial salts less than 1%.
UV/Heated Persulfate
Excellent TOC accuracy from low parts-per-million to moderate concentrations of salt-free samples with minimum maintenance.
Heated Persulfate
Good low level TOC Accuracy at wide range of applications.
Ozone Promoted/Hydroxyl Radical
Excellent low to high levels of TOC analysis for difficult to oxidize samples or in undiluted acids or industrial salts up to 26%. Offers low maintenance & is often successfully substituted for High Temperature Combustion Method.
Ultra Pure Analysis (UV/NDIR)
Unsurpassed UV/NDIR detection for interference-free accuracy in the “parts-per-billion” ranges on a variety of sample matrices. Compliant with USP 23.
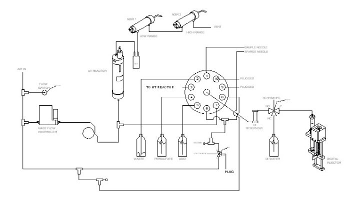
The general flow diagram is shown below. Note that this standard configuration is capable of performing up to five (5) different methods with different ranges on 103 samples in a single run! The design architecture of the analyzer also allows for optional upgrades to be added later, extending your future capability.

The StarTOC Automatic Benchtop analyzer is capable of TOC, TIC, and TC analysis
using the following methods:
- High Temperature Combustion
- UV/Heated Persulfate
- Heated Persulfate
- Ozone Promoted/Hydroxy/Radical
- Ultra-Pure (UV/NDIR)
Sample is mixed with acid, lowering the pH to 2.0. This converts the inorganic carbon to dissolved CO2, which is Air/O2 stripped out of the solution. Reagent is added if required and the remaining organic carbon is then oxidized in the Reactor to form CO2, which is detected by the NDIR as an interference-free direct correlation to TOC.


The Star Parts Exchange Service Policy
- No Equipment Repair
- Module Exchanges
- Replacement Modules Normally Shipped Same Day as Notification
- Integral Sampler Conserves Bench Space.
- Efficient Sample Preparation
- Same Station Acidification, Sparging, Mixing & Analysis provides most accurate TOC Analysis by Minimizing Volatile Organic Loss.
- Ability to select multiple station acidification & sparging to maximize throughput.
- Simple rugged mechanism for increased reliability.
- Specific, Interference-Free CO2 Detection
- Single-Beam
- Dual-Wavelength Ratioing Compensates for Drift
- Computer-Controlled for Accuracy
- Sapphire Protected Optics
- Non-Corrosive, Non-Reflective Sample Cell (Borosilicate)
- No Moving Parts for Easy
- Maintenance and Service
- No Critical Realignment Required
Detection Technique
The NDIR CO2 detector uses a solid-state, dual-wavelength system with a single borosilicate glass sample cell that requires no wall reflectivity or removal of acid gases. There is a reference and a CO2 specific detector in the sample path. Use of the true zero filter eliminates water vapor interference. An infrared source is cycled on and off to avoid mechanical choppers required in alternate NDIRs. The NDIR has no moving parts

Automatic gain control (AGC) is employed during the reference/sample cycle to compensate for such factors as IR source deterioration, dirty optical windows, and detector gain changes. All critical optics are protected by sapphire windows. The sample cell can be easily removed and the windows cleaned within 3 minutes, without realignment or the use of any tools.
- Measuring Range: User Configurable From 50 ppb 50,000 ppm C (Depending on Method)
- Repeatability: +/- 2% (depending on Configuration)
- Drift: Compensated, self-calibrated NDIR (+/- 2% non- accumulative)
- Response time: From 3 minutes, depending on configuration
- Display/Computer:
- Operator menu prompting Microsoft Windows.Net
- Operating System
- Power Supply: 110/220 VAC 10 Amp service recommended
- Dimensions (HxWxD):
- 23x22.25x24.5 in.
- 57.5x55.6x61.2
- Weight:
- 131 lbs.
- 60 Kg.
