Botou Yaxing Fluid Equipment Co., Ltd
- Home
- Companies
- Botou Yaxing Fluid Equipment Co., Ltd
- Products
- Botou - Model DIN3352 -HVA1003 - Brass ...
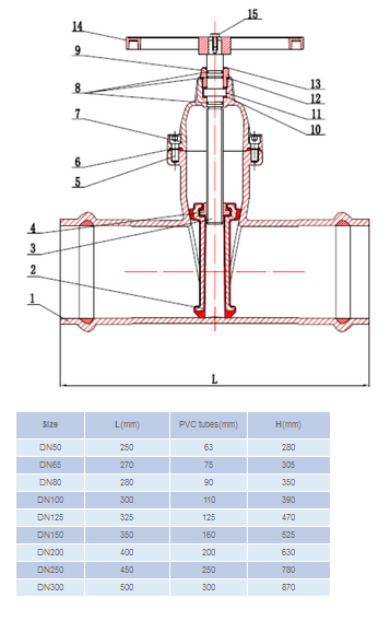
Botou - Model DIN3352 -HVA1003 -Brass Gland Socket End Resilient Seated Gate Valve
DIN3352 NRS Brass Gland Socket End Resilient Seated Gate Valve, 63mm-315mm.
Most popular related searches
resilient seated gate valve
gate valve
fusion bonded epoxy coating
resilient seated valve
epoxy coating
PVC pipe
pressure seal
corrosion prevention
- The ductile iron core is fully vulcanized with EPDM rubber, no iron parts are exposed to the medium and the excellent rubber vulcanization prevents creeping corrosion underneath the rubber.
- Guides in the wedge and on the valve body ensure a uniform closure, safe operation ensured as the guides prevent overloading of the stem.
- Stainless steel stem with rolled threads for high strength.
- The valve can replace stem seals under pressure.
- Full bore.
- Body inside and outside fusion bonded epoxy coating with excellent corrosion resistant performance.
- Suitable for PVC pipes, easy installation.
