- Home
- Companies
- GW Sprinkler A/S
- Products
- GW Sprin - Model MKIII - Deluge Valve - ...
GW Sprin - Model MKIII -Deluge Valve - Alubronze External Reset, Pneumatic
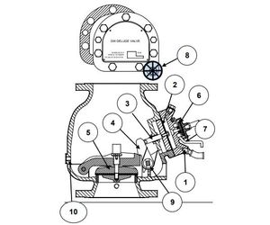
The GW MKIII deluge valve is a straight through, bottom entry / top exit, firewater latched deluge valve specifically designed and approved for automatic fire protection systems. The integrated actuator uses the fire main water pressure and the pneumatic pilot line pressure to keep the valve closed. When the pilot line air pressure is reduced to below the trip point, the hydraulic pressure in the actuator (diaphragm chamber) is released – and the GW MKIII deluge valve rapidly opens to provide a virtually uninterrupted water passage with excellent water flow / pressure drop characteristics.
Water under pressure from the valve inlet is fed via a nonreturn valve and a restricted orifice into the hydraulic chamber (1). This applies pressure on the diaphragm (2), which via the push rod (3) forces the spring loaded lever (4) to hold the clapper (5) in closed position. The resultant force due to the supply pressure acting on the push rod is multiplied by the mechanical advantage of the lever and is more than sufficient to hold the clapper closed against normal supply pressure surges.
The pneumatic diaphragm (6) retains the water pressure in the chamber by closing the water exit port/orifice (7). To trip the valve the pilot line air pressure is released by one of 3 methods:
- Opening a manual release valve.
- Operation of a solenoid valve (electrical).
- Fracture of a pilot line detector head
Once the air pressure has been lost, water can escape from the hydraulic chamber faster than it can be replaced due to the restricted inlet orifice. The hydraulic pressure acting on the lever via the push rod is reduced to the point where it can no longer hold the lever in forward locking position. The lever is pushed back by the inlet water pressure acting on the clapper – allowing the clapper to move to the open position. As the clapper moves open, the spring loaded lever moves forward as a latch preventing the clapper to fall back in the closed position. To re-set the clapper the external reset hand wheel (8+9) is turned clockwise
Water flows to the pipe work – and if required water can be diverted via the alarm port (10) to sound a mechanical or electrical alarm.
The GW MKIII Deluge Valve is used to control the water supply to a deluge fire protection system, typically feeding a number of open water spray nozzles fitted in a fixed grid over the protected area. The deluge valve actively holds back the water in the stand by position – and upon instruction (manually or via a detection system) the deluge valve is tripped, and instantaneously supplies water through the downstream pipework to be evenly distributed over the hazard by the open nozzles.
The GW MKIII Deluge valve in nickel aluminium bronze (body) is manufactured using only corrosion resistant components, which makes it highly durable and applicable for service in harsh environments – e.g. oil & gas, petro chemical process industry, marine and off shore.

