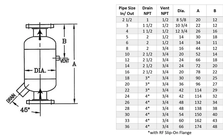
Didion - In-line Moisture and Coalescer Separators
The type DSU Model is the only standard design that we manufacture to operate in a vertical up gas flow. This model can handle large liquid loads while still maintaining separation efficiency. Moreover, it has the same guaranteed efficiency of all our standard models, removing 99% of all entrainment 10 microns and larger. We can easily improve this by making use of mesh pads. In other words, the in-line separator becomes a coalescing separator. One everyday use of these units is the knock-out of water droplets from air after it is compressed. Custom designs are available.
- Vessel body made of carbon steel with corrosion allowance and high-temp paint.
- Internal elements are 304 stainless steel.
- Remove 99% of all entrainment 10 microns and larger. (Better with mesh pad)
- Efficiency maintained from 25% to 125% of the designed flow rate.
- 150# standard models rated for pressures up to 150 psig at 500° F.
- 300# standard models rated for pressures up to 500 psig at 650° F.
- Custom designs available.
- The quality of design and build that our customers have come to expect.
Units that make use mesh pads are often called in-line gas coalescer separators. When do we make use of mesh pads? When there is need for a higher efficiency than our standard units are rated for. So, how do they work? In most cases, we place a tightly woven wire mesh into the vessel that we manufacture, but before the separation element. As the gas flows through the pad, the tiny droplets of liquid coalesce on it’s wires into larger droplets. Eventually, the droplets become so large that they cannot hang onto the wire any longer. The velocity of the gas stream pulls them further into the vessel. With the fine droplets now coalesced into larger droplets, the separation element can easily remove them from the stream.
Another use of mesh pads is to let them do the actual separation work. For this, the vessel’s diameter is made much larger to slow the velocity of the gas. Therefore, when the small droplets coalesce on the wires into large droplets, they fall back down into the sump area, rather than the gas pulling them further towards the outlet. This method provides excellent efficiency but requires a much larger vessel.
The positive of a mesh pad is the increase in separation efficiency. The negatives include an increase in cost to the unit and they can plug over time. Some gas streams run very clean with very little debris, and therefore the pad lasts the life of the unit. In other cases, debris can plug the mesh. In such cases, we design the unit so you can replace it. So, how will you know when it is time to replace the mesh pad? Simple, when the pressure drop across your in-line coalescer separator is too high for your process, then it is time to replace. Please contact us for help in selecting the right design for your process.
