PMP Precision Valve Co. Ltd.
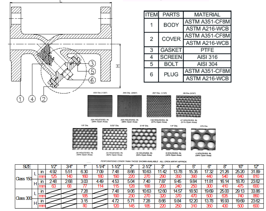
PMP - Model 2049F -Flanged Y-Strainer
Flanged Y-Strainer: 1/2"~2" Investment cast body. 2-1/2" and larger sand casting. Designed to: ANSI B16.34. CF8M & WCB steel bodies
316 SS screens 1/4" mesh. Max. working temperature 445 F Options: Blow down valve. Various size screens and mesh liners.

