S.B Environmental Co, Ltd.
- Home
- Companies
- S.B Environmental Co, Ltd.
- Products
- Green - Water Spring System (Wet ...
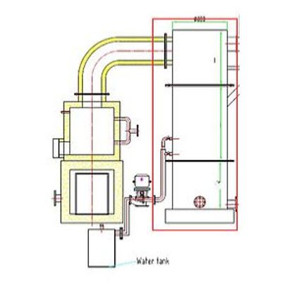
Green - Water Spring System (Wet Scrubber)
The term wet scrubber describes a variety of devices that remove and clean mainly dust and pollutants from a furnace flue gas or from other gas streams. In a wet scrubber, the polluted gas stream is brought into contact with the scrubbing liquid, by spraying it with the liquid, by forcing it through a pool of liquid, or by some other contact method, so as to remove the pollutants. The smoke emission will be reduced significantly when using the Wet Scrubber (OPTION).
Most popular related searches
