J.U.M. - Model 603 -Heated FID Total Hydrocarbon Analyzer
The HFID Model 603 is a competitively priced, digitally controlled self extracting, heated total hydrocarbon analyzer for high accuracy, sensitivity and long term stability. It can be used in a 19` rack or as a table top instrument.
Fully complies with EN 12619, EN 13526 (EU), Method 25A and 503 (USA) and with 2. BImSchV. 13. BImSchV and 17. BImSchV (Germany)
Standard features are automatic start-up with ignition, automatic and manual zero and span gas calibration, auto ranging, diagnostics and an optional data logger. Also standard is our 7 inch touch screen display with direct activation of all important functions without dialog
The Model 603 uses our time proven hydrogen flame ionization detector (FID) in a heated oven to prevent the loss of high molecular weight hydrocarbons and to provide very reliable performance in the analysis of trace level of contaminants in emissions, gases, air and other gases.
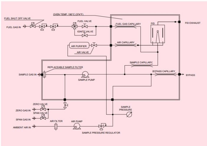
All sample wetted components are integrated into the heated chamber. The heated sample filter is easily accessible from the rear panel. No special tools are required for a quick and easy sample filter change.
Low cost of ownership. Very low fuel gas consumption. The combustion air supply for the FID-detector is already built in, so no external burner air generator or external cylinder for synthetic burner air is needed.
- Automatic startup, calibration and flame ignition
- 7 inch touch screen display.
- Dialog free activation of all important analyzer functions
- Automatic measuring range control
- Internal diagnostics
- Analytical circuits 100% identical with time proven models 3-600, 3-800 and VE5
- All components in contact with sample fully heated and controlled at 190°C
- Built-In air and sample pumps
- Built-in combustion air supply, no extra air bottle needed
- Easy to change sample filter is accessible on the rear panel. No special tools required for quick filter changes
- Internal solenoid valves for zero- and span calibration
- Automatic flame out alarm and fuel shutoff valve
- Fast response less than 1 second
- Low fuel consumption
- Stack gas hydrocarbon emissions monitoring
- EU and EPA Method 25A compliance monitoring of source hydrocarbons
- Solvent recovery monitor of carbon bed break through
- Catalytic converter testing
- Carbon adsorption regeneration control
- Raw exhaust vehicle emissions analysis
- Hydrocarbon contamination monitoring in air and other gases
- Carbon adsorption regeneration control
- Detection of trace hydrocarbons in purity gases used in the semi conductor industry
- Clean room applications
- LEL monitor of solvent laden air
The Flame Ionization Detection (FID) method is used to determine the presence of total hydrocarbon concentrations in a gaseous sample. Burning hydrocarbon-free hydrogen in hydrocarbon-free air produces a negligible number of ions.
Once a sample containing hydrocarbons is introduced into this flame a very complex ionization process is started. This process creates a large number ions. A high polarizing voltage is applied between the two electrodes around the burner nozzle and produces an electrostatic field. Now negative ions migrate to the collector electrode and positive ions migrate to the high voltage electrode. The so generated ionization current between the two electrodes is directly proportional to the hydrocarbon concentration in the sample that is burned by the flame. This signal is measured and amplified by our electrometer-unit. A digital sample pressure regulator provides a controlled back pressure at the sample capillary which gives admittance of a constant sample flow rate to the burner. This technique without the conventional back pressure regulator was invented by J.U.M. Engineering in 1974 to provide the highest possible sample flow rate stability and lowest maintenance. Our compactly designed flow control module for controlling the fuel and air flow rates via needle valves use high precision pressure regulators. The needle valves are factory adjusted and sealed to ensure the optimization of the burner.
- Method of analysis: Flame Ionization Detector
- Detection limit / Sensitivity: 10Oppb /1 ppm CH4 full scale
- Response time: 02 seconds
- T9o response time: 12 seconds
- T90 response time with heated line (75m) and external sample filter: less than 8 seconds
- Zero drift:
- Span drift:
- Linearity: Up to 10000ppm within 1% FSD
- Oxygen synergism:
- Ignition: Protected low voltage glow plug
- Measuring ranges (ppm): 0-10,100, 1000, 10000, 100000, automatic, manual, others on request,
- Siqnal outputs: 0-10 VDC, 4-20 mA and USB-Port
- Displav: 7-inch touch screen graphic display b/w, back lit
- Sample filter heated: 2 micron disposable change filter
- Sample pump: approx 25 l/min capacity @ operating temp
- Fuel consumption with 100% H2: approx 20 ml/min @ 15 bar (22 psig)
- Fuel consumption with 40%H2/60%He: approx 90 ml/min @ 15 bar (22 psig)
- Burner air consumption: Built in burner air supply
- Oven temperature: 190°C(374°F)
- Temperature control: u-processor PID controller
- Power requirements: either 230VAC/50HZ, 850 W or 115VAC/60HZ, 850 W
- Ambient temperature: 5-43°C(41-110°F)
- Ambient humidity: Non condensing: Less than 90& RH
- Dimensions (W x D x H): 19" (483 mm) x 460 mm x 132 mm
- Weight: approx 20 kg (44 lbs)
- Signal displayed as: Graphical as Alphanumeric also logarithmic bar graph
- Alarms displayed as: Low oven temperature, low sample pressure, flame out
- Modes display: Measure, Auto Cal, Flame Lit, Data Logger On
- Communication: USB Connector, Internal RS232 with external computer via terminal program
J.U.M. reserves the right, at any time and without notice, to change specifications presented in this data sheet and assumes no responsibility for the application or use of the devices described herein.

- LT0 63: Measurement of low trace hydrocarbon levels. This option requires external, zero grade
- combustion air supply!
- MBP63: Integrated bypass pump. Allows use of very
- long sample lines and tolerates significant
- pressure variations at the sampling point. A
- second analyzer (Nox, CO, C02 or other) can
- be directly coupled to the sample outlet
- RCIO 63: 0-20 mA analog output, galvanically isolated
- RCI4 63: 4-20 mA analog output, galvanically isolated
- TPR63: EXTERNAL temperature controller for heated sample line, e.g. JUM TJ 100
