Lenntech Water Treatment
  1. Companies
  2. Lenntech Water Treatment
  3. Products
  4. Lenntech - Iron Removal Plants

LenntechIron Removal Plants

SHARE

Iron removal plants can be based on different filtration media, depending on the iron and manganese concentration, the oxygen level, CO2 content and hardness of the water.

Most popular related searches

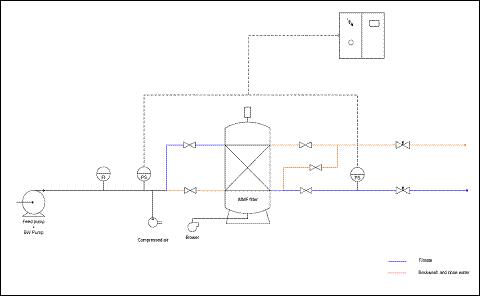
First, air is injected in order to oxidize the iron. The oxidized iron will then precipitate on a sand filter. An MnO2 layer in the sand bed will catalyze the oxidation of residual iron. Backwash will be done by water and by air. More on iron removal principles

Iron removal plant flow diagram:

Filtration media choice are:

  • Sand + MnO2 for high iron concentrations
  • Calcite for acidic waters
  • Birm
  • Greensand

Other oxidation chemicals can be used for highly contaminated waters

  • Ozone
  • Chlorine
  • Chlorine dioxide
  • These chemicals also have a biocide effect but might interact with other component.

Typical deironing plant includes:

  • Feed / backwash pump
  • Pressure vessel filled with deironing media
  • Valves, fittings and instrumentation
  • Air compressor
  • Air blower
  • Control panel