Botou Yaxing Fluid Equipment Co., Ltd
- Home
- Companies
- Botou Yaxing Fluid Equipment Co., Ltd
- Products
- Botou - Model DIN3352 F4- HVA1008 - ...
Botou - Model DIN3352 F4- HVA1008 -Light Type Resilient Seated Gate Valve
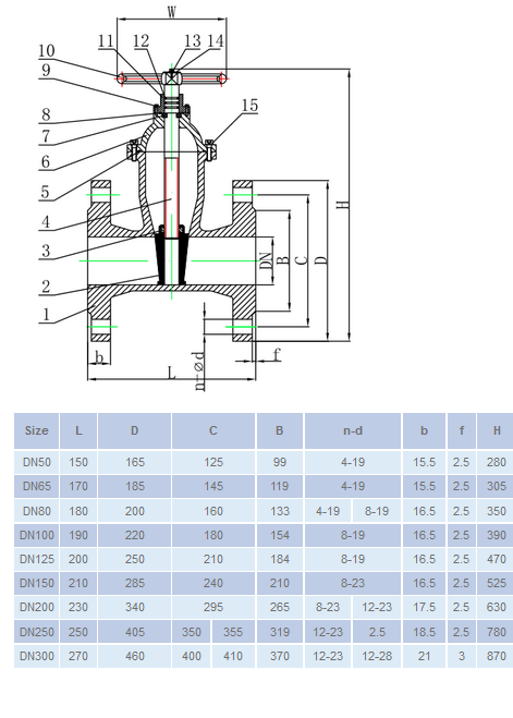
The ductile iron core is fully vulcanized with EPDM rubber, no iron parts are exposed to the medium and the excellent rubber vulcanization prevents creeping corrosion underneath the rubber. Guides in the wedge and on the valve body ensure a uniform closure, safe operation ensured as the guides prevent overloading of the stem. Stainless steel stem with rolled threads for high strength. The valve can replace stem seals under pressure. Full bore. Body inside and outside fusion bonded epoxy coating with excellent corrosion resistant performance.
