- Home
- Companies
- P S Analytical Limited
- Products
- PSA - Model 10.690 - Online HG ...
PSA - Model 10.690 -Online HG Preconcentrator System
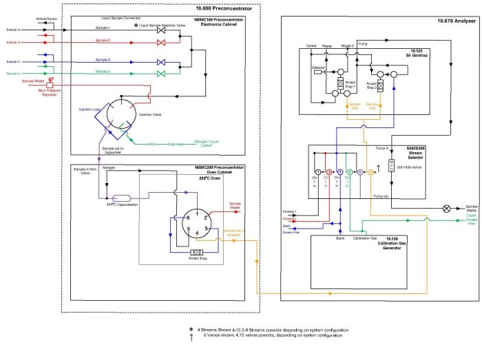
The PSA 10.690 Online Hg Preconcentration system is used in conjunction with the PSA 10.670 Online Hg Analyser system and has been specifically designed to monitor the mercury concentration in multiple liquid-phase volatile hydrocarbon samples. The Preconcentrator System is physically divided into two interconnected cabinets, this arrangement allows the separation of heat sensitive electronic equipment and heated components. The enclosures are nitrogen purged in series using leakage compensation approach. This system is suitable for use in Zone 1 and Zone 2 hazardous areas and has both ATEX and IECEx Certification. Liquid samples are introduced to the analyser via a six-port injection valve in the Electronic Cabinet of the PSA 10.690 Preconcentrator. Liquid samples are introduced under pressure to ensure that they are in the liquid phase when sampled.
Once a sample stream has been selected for analysis, a flush period is allowed to ensure that a representative sample is present in the injection loop. The sample is then injected into the Preconcentrator Vapourisation chamber in a stream of nitrogen carrier gas. The vapourised sample is passed over an AmasilTM trap located in a 200°C oven, where mercury in the sample is amalgamated onto the gold coated trap. The vapourised organic material passes over the trap and outg to waste via the sample waste port.
Mercury collected on the Preconcentrator Amasil trap is the transferred to the PSA 10.670 Online Mercury Analyser for analysis. A further valve within the Preconcentrator`s 200°C Chamber is actuated to direct a flow of nitrogen carrier gas over the Amasil trap and through a Stainless Steel Braided Teflon hose to the PSA 10.670 Amasil Trap 1. The Preconcentrator Amasil trap is then heated to desorb mercury from the gold and transport it in the carrier gas stream to the PSA 10.670 Amasil Trap 1 where it is collected by amalgamation.
An argon carrier gas stream is the directed over PSA 10.670 Trap 1 and into the detector. The Amasil trap is the heated, driving mercury off the gold into the carrier gas stream to detector where it determined by atomic fluorescence spectrometry.
The diagram below illustrates the operation of the system

The system can be expanded to simultaneously handle the online analysis of mercury in natural gas by the addition of the appropriate PSA 10.54X Online Sampling system.
