- Home
- Companies
- EnviroExperts Italia Srl
- Products
- Selective Catalytic Reduction Catalytic ...
Selective Catalytic Reduction Catalytic Systems
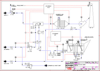
The SCR DeNOx reactors Deparia are particularly suited to the removal of NOx contained in the emissions from internal combustion engines Diesel cycle or the Otto cycle, or from boilers or turbines.
Deparia has to his credit many accomplishments of DeNOx reactors, in a wide range of installed capacity, fuel used (fossil fuels or liquid biomass) and plant configuration (MCI-fired power plants, district heating plants in MCI and turbine power plants cogeneration). Deparia can also make and supply equipment for the removal of all emissions from combustion plants (NOx, CO, dust, TOC), complete systems analysis according to law with or without continuous monitoring (EMS or SAE) . Deparia can assist the customer in the authorization process for planting at the competent authorities.
The SCR catalytic reactor is particularly suitable for the abatement of NOx in the emissions of internal combustion engines.
The realization of an SCR system requires considerable experience in process management, controls, and auxiliary services.
The process of selective catalytic reduction of nitrogen oxides, better known as "SCR Process", allows you to delete a quantitative NO and NO 2 from the gaseous emissions, turning them into inert compounds to the environment, such as nitrogen and water vapor.
The SCR process represents the current state of knowledge, the solution to the problems of emissions of NOx to less environmental impact among those currently available.
SCR DeNOx catalytic reactor installed on emissions of a motor generator MAN 1.4 MWe power to animal fat.


