- Home
- Companies
- Grande Water Management Systems Inc.
- Products
- Grande Extreme - Model EXW 316 - ...
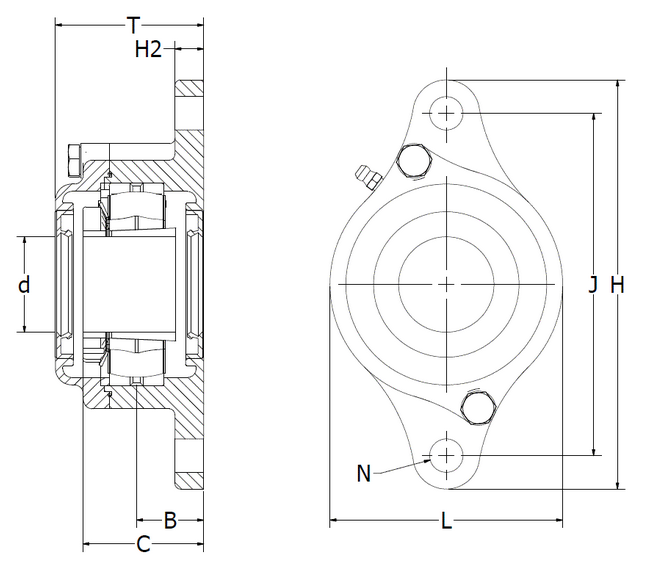
Grande Extreme - Model EXW 316 -Stainless Steel 2-Bolt Flange Bearing Units
This 2-bolt flanged housing is designed for use in limited space and when there is an existing 2-hole application. The housing is made of stainless steel (grade 316) which is rustproof and resistant to corrosion from seawater. It is also resistant to all cleaning products and chemicals. The rounded corners and smooth surfaces make these units very easy to clean.
The units are delivered complete with a spherical roller bearing insert that enables the bearing block to carry up to five times more load than conventional bearings. Spherical roller bearings have the advantage that they provide a much larger load capacity than ball bearings and can accommodate axial force.
Many sealing options are possible. Each possesses different properties depending on the application. We would be pleased to advise you on the best choice of seal.

Extreme Bearing units are intended for loads acting vertically towards the base plate support. Therefore, if the bearing housing is supported over its entire base, loads are limited only by the load limits of the bearing insert. If loads acting in other directions occur or if the housing is not supported over its entire base area, check that the magnitude of the load is permissible for the bolt assembly attached to the machine frame.
