- Home
- Companies
- Grande Water Management Systems Inc.
- Products
- Grande Extreme - Model EXP 316 - ...
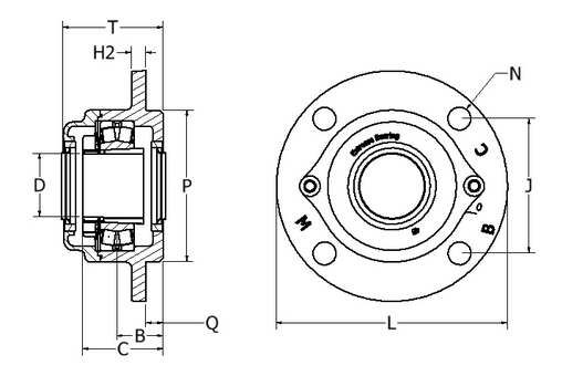
Grande Extreme - Model EXP 316 -Stainless Steel Triangular Round Flanged Bearing Units
Paint, corrosion protection is not needed because EXG flanged housings are made of stainless steel (grade 316) which is rustproof and resistant to corrosion from sea water and almost all chemicals. Another great advantage of stainless steel bearing housing material is that they have a much greater tensile strength and not fragile like the cast iron flange bearing units.
The dimensions of EXG flanged housings are not standardized either nationally or internationally. EXG flanged housings are dimensionally interchangeable with the NFL flanged housings from SKF and the earlier 722512 housings.
In addition to standard design EXG flanged housings, variants are also available. include housings with centring recesses and grease escape holes.
Centring recessesEXG flanged housings can be supplied with a machined shoulder edge , which can be used to centre the housing on a shoulder. With this arrange-ment, the attachment bolts are not subjected to carry forces.
Sealing solutionsThis Type EXG stainless steel housing can be combined with a variety of bearing sealing options to keep dirt, water and chemicals out. When required , the bearing cover can be equipped with a different seal than the bearing housing or can be closed by a blind cap. Many sealing options are possible. Each possesses different properties depending on the application. We would be pleased to advise you on the best choice of seal.
Drilled holes for relubricationEXG housings have three pre-drilled holes for relubrication. One is centered and enables relubrication via a lubrication feature in the bearing. The others is offset and enables relubrication from the side by side.
Spherical roller bearingThe units are delivered complete with a spherical roller bearing insert that enables the bearing block to carry up to five times more load than conventional bearings. Spherical roller bearings have the advantage that they provide a much larger load capacity than ball bearings and can accommodate axial force.

Load directions 316 stainless steel round flange bearing
Extreme Bearing units are intended for loads acting vertically towards the base plate support. Therefore, if the bearing housing is supported over its entire base, loads are limited only by the capacity of the bearing insert. If loads acting in other directions occur or if the housing is not supported over its entire base area, check that the magnitude of the load is permissible for the bolt assembly attached to the machine frame.
