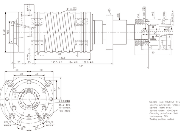
Spindle Taper:BT30. Outer Diameter:100 mm. Max. Speed:12,000 rpm. Bearing size:Ø40. Bearing Lubrication:Grease. Clamping pull-force:3 KN.