The Advanced Aeration Group, LLC
- Home
- Companies
- The Advanced Aeration Group, LLC
- Products
- VBT - Model 300 Series - Vacuum Bubble ...
VBT - Model 300 Series -Vacuum Bubble Technology Aerator
The Vacuum Bubble® Technology Aerator 300 is ideal for mid sized CAFO facilities, small to medium sized municipal sewage processing sites, and portable sewage treatment modules. This unit has a flotation platform available as an option.
Most popular related searches
bubble aeration system
bubble aeration
bubble aerator
municipal sewage processing
aeration system
aerator
municipal sewage
sewage treatment
sewage treatment system
sewage
- Cubic Feet/Minute(Air): 5.23
- Cubic Feet/Day (Air): 7,536
- Lb. O2/Day: 132*
- Lb. O2/Hp/Hour: 5.5*
- Approximate Flow(Gal/Day) @ 300 PPM BOD5: 26,000
* at 100% Oxygen
Motor WEG 1 Hp (B1)
- Voltage 115v/230v (1 Phase)
- Full Load Amps 9.6/4.8
- RPM 3540
- Hz 60
- SF 1.15
Motor WEG 2 Hp Explosion Proof (B2)
- Voltage 230v/460v (3 Phase)
- Full Load Amps 5.38/2.69
- RPM 3495/2800
- Hz 60/50
- SF 1.15
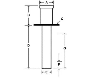
A: Motor Diameter 7.0″
B1: Motor Height/1 Phase 11.00″
B2: Motor Height/3 Phase 8.5″
C: Motor Mt.(Square or Octagon) 12.0″
D: Air Tube Length 23.00″
E: Air Tube Diameter 8.00″
F: Min Water Line 6.00″
G: Max Water Line 14.00″
