The Advanced Aeration Group, LLC
- Home
- Companies
- The Advanced Aeration Group, LLC
- Products
- VBT - Model 100 Series - Vacuum Bubble ...
VBT - Model 100 Series -Vacuum Bubble Technology Aerator for On-Site Wastewater Treatment
The Vacuum Bubble®Technology Aerator 101 is sized for on-site wastewater treatment, small commercial applications, and pretreatment of industrial wastewater. Several configuration options give flexibility to meet differing requirements. Available options, which may be ordered, include an all-weather housing, self-monitoring electronic controller, and a basic GFI controller.
Most popular related searches
on-site wastewater treatment
bubble aeration system
on-site wastewater
industrial wastewater pretreatment
wastewater treatment
bubble aeration
bubble aerator
aeration system
aerator
wastewater pretreatment
- Cubic Feet/Minute(Air): .22
- Cubic Feet/Day (Air): 314
- Lb. O2/Day: 5.49*
- Lb. O2/Hp/Hour: 4.2*
- Approximate Flow(Gal/Day) @ 300 PPM BOD5: 1,000
* at 100% Oxygen
Motor Bluffton 1/15 Hp
Voltage 115v (1 Phase)
Full Load Amps 1.0
RPM 3250/2750
Hz 60/50
SF 1
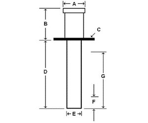
A: Motor Body Diameter 4.25″
B: Motor Height 6.5″
C: Adapter Plate (Dia.) 5.50″
D: Air Tube Length 20.00″
E: Air Tube Diameter 2 3/8″
F: Min Water Line 6.00″
G: Max Water Line 14.00″
