- Home
- Companies
- AMS Analitica
- Applications
- Stack Emission Sampling for Dioxin ...
Stack Emission Sampling for Dioxin Sampling - Air and Climate - Air Monitoring and Testing
Dioxin, PCDD-PCDF and PCB sampling system compliant with UNI-EN 1948:2006. This sentence refers to the last variation of the version dated 1999 because it has been changed some phases in the technical-analytical process and there are new normative references about oxygen sampling (EN-14789) and humidity content (EN-14790).
The gas is sampled isokinetikally in the emission conduit. The PCDD/PCDF is absorbed by the particulate and present gaseous, recollected in the sampling line. The system gathering components may be a filter, a device for the recovery of the condensate and an absorbing material liquid or solid compatible with the chosen sampling system.
The regulations foresee choosing between three different sampling systems:
- Filter/condenser method
- Dilution method
- Cooled sensor method
The first method is the most used one, contemplating the insert of a support for XAD-2 amberlyst resin or similar or purified polyurethane foam (PUF-Skc P226-131).
Filter/condenser method: the concept of the method is illustrated in the picture underneath.

The system foresees that the filter is placed downstream of the nozzle after the heated sensor (outside of the conduit) in a specifical heated tank. The filter has to be maintained less than 125°C, over the gas dew point in the chimney. When it is foreseen a major load of dust it might be incorporated a quartz wool filter or a cyclone device in the sampling line before the filter, to avoid an overload of the same filter. Downstream, a condenser is connected to cool the sampled gas underneath 20°C. The device may be also used with a higher temperature only if the results obtained in the event have been demonstrated that are the same. Gaseous part of PCDD/PCDF aerosols are held back by the absorb solid. In a variant of the sampling system the solid absorbing element may be placed between the condenser and the gathering condensate device. The flux repartition system differs after filtration there is a flow distributor (similar to those used for other methods of emission sampling). The main high volume flow as to be compliant with the Isokinetic conditions (ISO-9096) crosses the filter. The secondary current after the repartition of the flux corresponds to the device with the condensation and absorbent unit previously described. The sampling must be performed according to the dictates and positioning indicated into the EN-13284 regulations.
Sampling time is anticipated in a range included between 6 and 8 hours, even if in the regulations refer to an average estimated sampling time 6h. The sampling system has been validated for high voltage flow between 0,5 m3/h and 0,7 m3/h (secondary current) and between 3 m3/h and 5 m3/h (main current). For the device with resin XAD-2 previously purified a quantity of circa 30g has been indicated. Regulate by-passed flow to maintain the ratio between the derived flow and the main flow (±10%); making sure that the speed in the XAD-2 cartridge is not greater than 34 cm/s.
Marking of the filtration device: mark the filter dividing into portions from 5 to 30 µl of solution of sampling reference on different points of the filter. Keep the filter vertical for a short period until the solvent is evaporated. The filter can be used for sampling only 2 hours after the reference marks have been applied. The marked filter may be stored for several days. In addition to that, also the absorbing material XAD-2 can be marked, or it might be marked in alternative to the filter. If during sampling need to replace the marked filter, the new one must be marked as the same time. This last option must be considered into final phases of the calculus.
Filter/condenser method: option with solid absorbent upstream of the condensate collector.
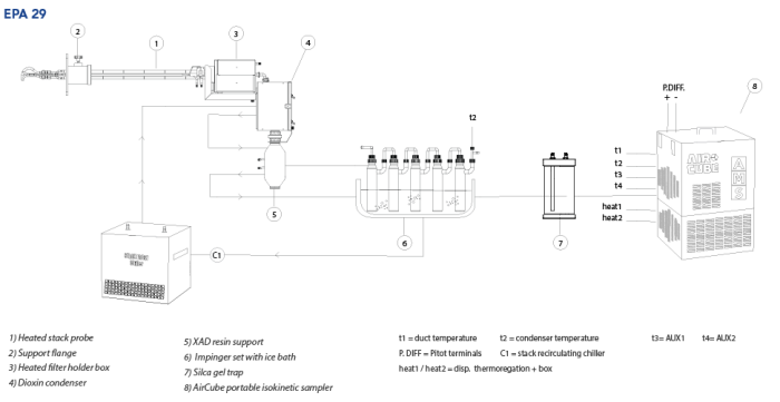
Sampling line is illustrated in the following picture.

The gas from the conduit enters into the sampling line through a heated sensor containing a core and some parts in contacts with the glass sample. The filter holder is contained into an electrically heated box located downstream the sensor. This is followed by a water-cooled serpentine condenser and a cartridge also cooled with water and filled with XAD-2 resin. The condensate and the gas pass through resin and in a balloon flask in which condensate is recollected. The gas temperature in the sensor and in the filter is regulated between the dew point of the gas in the conduit and 120°C. In the sensor there is a thermocouple kind-K to check the gas temperature in the conduit and a Pitot tube kind S, to measure the flow voltage in the conduit. After the condensate collector the gas is aspirated by a pump through a drying line filled with silica gel, a gas meter and a flat orifice flow-measuring device. Sampling system is made on the base of a volume flow from circa 5 liters per minute to 25 liters per minute. All the elements included into sampling line not in contact with the sample are linked with rubber flexible tubes.
Materials needed for a correct dioxin sampling in complaint EN-1948:2006 Filter/Condenser/Resin XAD-2 method
Code: Article
- 600/SIR1500BB: Isokinetic heated probe with rear box 1500mm
- 600/DX100101K: Cooling device support with rear mount
- 600/DX10011948S: Refrigerant set with XAD bottle, trap and fittings
- 600/SF001KDZ: Stack Frost Refrigerant System for Dioxin sampling
- 600/CRS050K: 37 mm glass thimble holder complete with metal ring nut
- 600/TF200: TermoFlow 200 thermoregulation device
- 600/SUV6/8: Glass nozzle set 6-8-10mm (1+1+1)
- 600/GFR001: Heated probe attachment group
- 600/TVSR1500ST*: Nozzle attachment set in glass complete w nozzle and linking
- 600/CCTFSIR4: Heated probe connection cable 4mt
- 600/CCTFSIR8: Heated probe connection cable 8mt
- 600/CRS029: 47 mm glass filter holder for direct sampling
- 600/CRS029D: 47 mm glass filter holder for derived sampling
- 600/TGS001K: Silica gel trap w quick inlets
- 600/VT001T: Thermal container for condensate gather
Material needed for a correct dioxin sampling in complaint EN-1948-1:2006 and EPA 23. Solid resin absorber downstream gathering condenser XAD-2
Code: Article
- 600/SIR1500BB: Isokinetic heated probe w rear box 1500mm
- 600/DX100101K: Cooling device support w back mount
- 600/DX0005G: XAD-2 GL45/25 trap w 35 baffle and cladding
- 600/SF001KDZ: Stack Frost refrigerant system for dioxin sampling
- 600/SF002MSL: Refrigerated tank combined w StackFrost device
- 600/CRS050K: 37mm glass thimble holder complete w metal ring nut
- 600/TF200: TermoFlow200 Thermoregulation device
- 600/SUV6/8: Glass nozzle set 6-8-10mm (1+1+1)
- 600/GFR001: Heated Probe attachment group
- 600/TVSR1500ST*: Glass nozzle attachment set complete w nozzles and linking
- 600/CCTFSIR4: Heated probe connection cable 4mt
- 600/CCTFSIR8: Heated probe connection cable 8mt
- 600/CRS029: 47 mm glass filter holder for direct sampling
- 600/CRS029D: 47 mm glass filter holder for derived sampling
- 600/TGS001K: Silica gel trap w quick inlets
- 600/SGDX23001K: 5 gas bubblers set and fittings for method 1948 and EPA 23
Refill materials for dioxin sampling in complaint with EN-1948
Code: Article
- NFS/GF1-47-100: 47mm GF1 grade glass fiber (Eq GFA) pckg 100pcs
- SK/225-1823: Tissuquartz™ quartz fiber filter thick.432µ 47mm pckg.25 pcs
- PL/TBD7212: Glass fiber filter membrane clad in PTFE max.300°C 47mm pckg.50 pcs.
- 600/CN086R25: Thimbles in borosilicate 30x80 pckg.25pcs
- 600/CN088R25: Thimbles in pure silica HT Max.1000°C 30x80 pckg.25 pcs.
- 600/HI39P503F2: Quartz wool for baskets 500g
- SK/P226201: XAD-2 SKC resin for PCDD/PCDF 100g EN-1948-1
- SK/P226131: SKC non-purified polyurethane foam pckg.10 pcs
- SK/P226131C: SKC pre-conditioned polyurethane foam pckg.10 pcs
