Thomson Instrument Company
- Home
- Companies
- Thomson Instrument Company
- Products
- Thomson - Model Shodex-ERC-3000 alpha ...
Thomson - Model Shodex-ERC-3000 alpha series -Analytical Mobile Phase Degasser
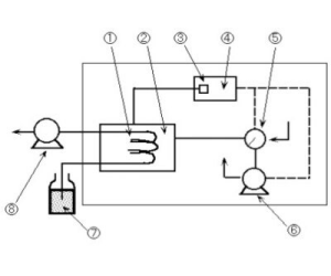
The ERC-3000alpha series efficiently remove dissolved gases in the eluent. Eluent Degassing Device: DEGASSER ERC-3215alpha, 3415alpha.
Most popular related searches
dissolved oxygen monitoring
leak monitoring
pressure monitoring
organic solvent
liquid leak
pressure sensor
pure water
ion exchange
vacuum pump
suction pump
- Pressure sensor and leak monitor assure high degree of safety
- Dead volume is minimized to 7mL/channel
- Any pump can be used since differential pressure is low
- Continuous degassing mode aids eluent preparation for high-sensitivity analysis
- EMC and LVD compliance, with CE marking
A special synthetic membrane (degassing membrane) is used to selectivity remove dissolved gasses ; using the characteristics of the small molecular size of the dissolved gas with high mobility and affinity to the membrane.

- Degassing Capacity: When ion-exchanged water saturated with air at 25deg-C is put through at a flow rate of 3mL/min, no bubble is observed at the outlet of the apparatus. (Measured dissolved oxygen level at the outlet : 2ppm at flow rate of 3mL/min)
- Internal volume: 7mL/channel
- Max. flow rate: 20mL/min for each channel (Eluent: 25deg-C pure water)
- External output: An open connector signal is delivered to the external output signal terminal, When “PRES” and “LEAK” LEDs light.
- Dimensions: W71 x D310 x H136 (mm)
- Power source: AC 100 to 240 V, 50/60Hz
- Power On/Off display: “POWER” LED lights, when the power is supplied.
- Status monitoring function: “READY” LED lights, when the internal pressure in the vacuum chamber is below a predetermined limit.
- Pressure monitoring function: “PRES” LED lights, when the internal pressure in the vacuum chamber does not reach a predetermined level within a predetermined time.
- Leak monitor: “LEAK” LED lights, when the liquid leaks in the apparatus.
- Self cleaning: The vacuum line is cleaned by air suction.
- Vacuum pump operation switching function: NORM.: Controlled operation in normal run, CONT.: Continuous operation in case of high degree of degassing degassing
For the special solvents, such as fluorinated organic solvents, please contact Shodex or our destributors near you.
DEGASSERis the registered trademark of E.R.C Co.,Ltd.
