- Home
- Companies
- Bionomic Industries Inc
- Products
- Bionomic - Model BFCS - Forced ...
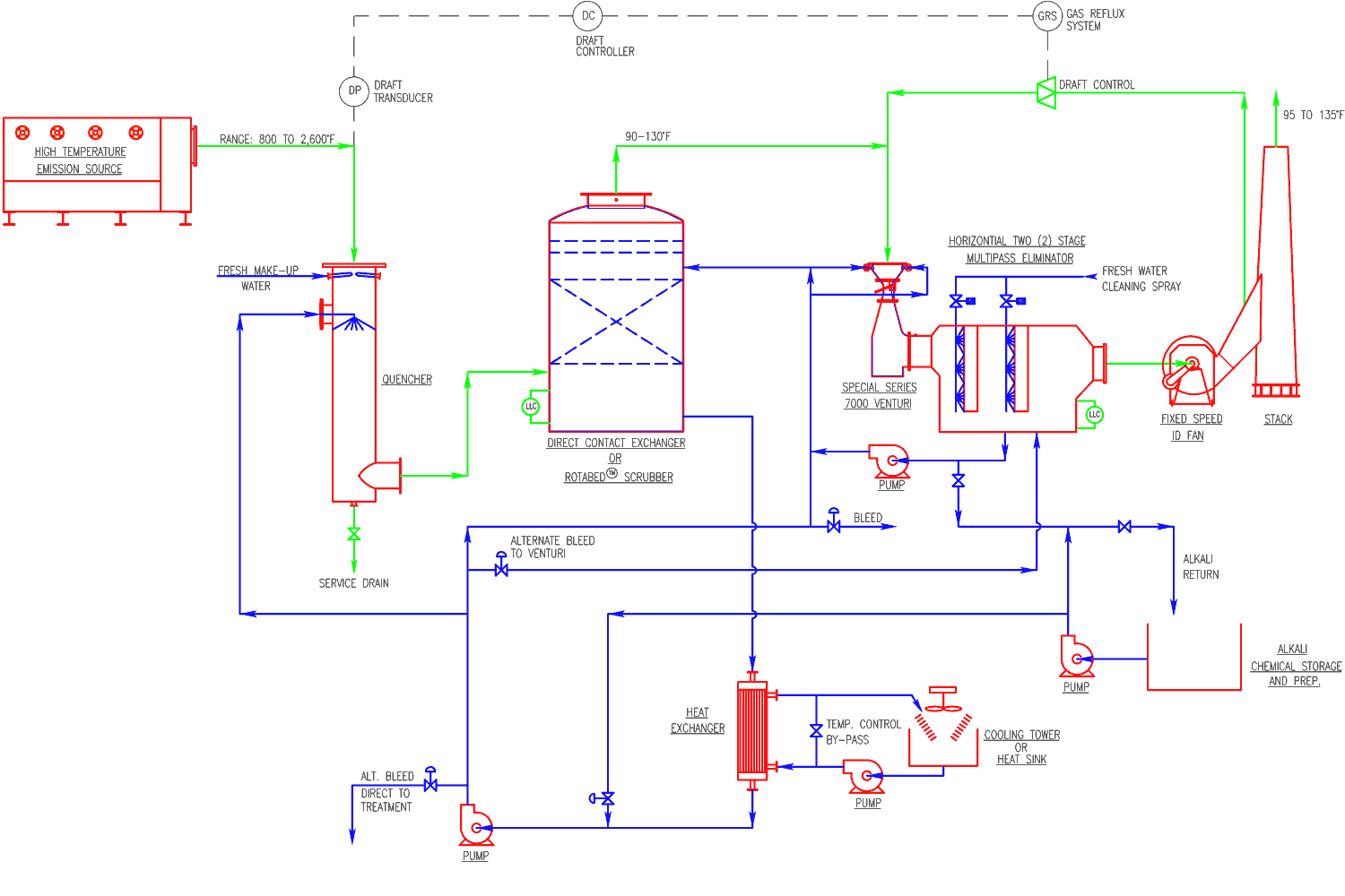
Bionomic - Model BFCS -Forced Condensation Scrubber
The highly advanced Bionomic Forced Condensation Scrubbing System (BFCS) uses the principles of nature’s rain and particle growth mechanism to achieve dramatic improvements in collection of submicron particulate over conventional hot gas wet cleaning systems. In addition, secondary acid gas pollutants are also easily removed with the BFCS Technology.
Substantial energy savings combined with high collection efficiency is the cornerstone of the BFCS technology when encountering gas stream pollutants with 10% of the particle size distribution below 0.5 microns aerodynamic diameter.
The BFCS Technology is the preferred method to collect and control all types of submicron particulate including heavy metals, dioxins and furans typically emitted from high temperature sources. As an added benefit, through the use of sub-cooling condensation, the water vapor plume commonly associated with a wet scrubbing system can be effectively eliminated. Gas volume is also reduced allowing the use of a smaller less costly scrubber system.
Typical favorable applications for BFCS includes; removal of pollutants from hazardous and medical waste incinerators, boilers, calciners, kilns, roasters, furnaces, syngas reformers/gasifiers and other sources that emit submicron particulate. It is most often applied to sources that provide saturation temperatures of over 150º F, but can also be applied to lower temperature applications using steam in lieu of water to generate the necessary condensate.
BFCS technology mimics the particulate capture that occurs naturally in the atmosphere through the formation of raindrops. Raindrops primarily form onto dust particles in the air through a process known as “nucleation”. The atmospheric water vapor condenses around the particulate coating the particulate creating a heavier droplet that then falls to Earth. If it wasn’t for this process, dust would remain in the atmosphere and air breathing Life forms would suffocate.
Bionomic Industries engineers have mastered the creation of this phenomenon for source air pollution control applications in our proprietary BFCS wet scrubber system.
Hot contaminated flue gas with particulate and possible acid gases is first saturated in a maximum contact purposely designed quencher using water to create a 100% relative humidity condition.
The gas is then sub-cooled with colder scrubbing liquid in a direct contact condenser or patented RotaBed® pre-cleaner. The cold scrubbing liquid causes manmade “rain” to form in the device. Through differences in temperature and concentrations, a flux force occurs pulling the dry particulate from the gas stream and encapsulating them with water. Now enlarged, the droplets with contaminant are removed by a special Series 7000 Adjustable Throat Venturi Scrubber/Separator operating at a far lower pressure drop and gas volume than if the gases were not cooled and condensed. What this means is that the venturi pressure drop, and therefore power consumption, is drastically lowered with particle growth enhanced BFCS technology. This energy savings and performance improvement advantage is easily seen in the comparison below:
The cleaned gases are then drawn to an induced draft fan wherein the heat of compression reduces the relative humidity of the gas stream. Exiting the stack is a clean nearly invisible plume.
Hypothetical 20,000 acfm saturated gas stream at 180° F containing 0.3 micron mean particle size requiring over 99% collection efficiency:

When acid gas control is required an alkali scrubbing solution can be added to the scrubbing liquid on a Ph controlled basis.
In extreme applications wherein outlet loadings under 0.01 grs./dscf are required or greater energy savings is desired, Bionomic Industries engineers can supply our exclusive HEI™ wet electrostatic precipitator (WESP). With BCFS Technology the WESP as in the case of the scrubber is typically 50% smaller than normally required.

