Glass Aggregate Systems
- Home
- Companies
- Glass Aggregate Systems
- Products
- Glass-Aggregate - Model GLS 100 - Full ...
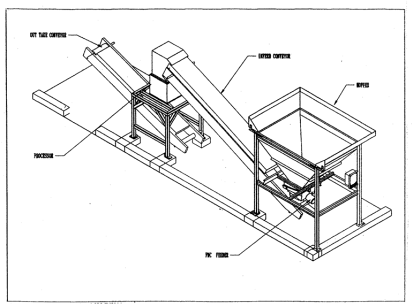
Glass-Aggregate - Model GLS 100 -Full Bottle Process System
Capacity: 6 - 10 Tons per Hour. Dimensions: (Length-Width-Height) 30` x 10` x 9`. Weight: 3,000 LBS. Electrical Supply: (standard) 480/460/208 VAC. Motors: (1) 5 HP (2) 2 HP. In-Feed Converyor: 18` x 15`. Out-take Conveyor: 18` x 15`. Beverage container breaker system. Liquid filled glass bottles can be crushed.

