- Home
- Companies
- Didion Separator
- Products
- Didion - Model DST - Horizontal Flow ...
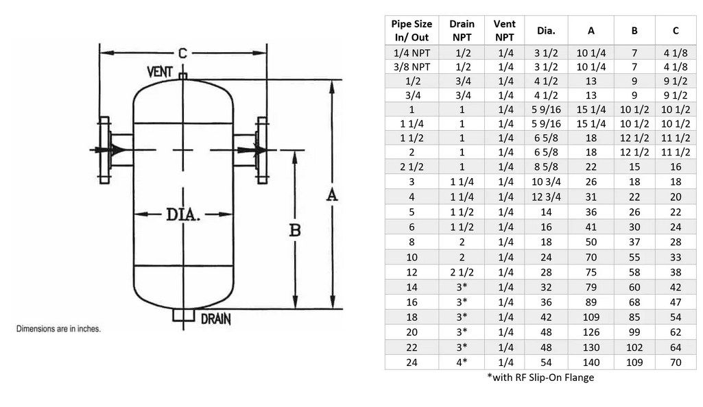
Didion - Model DST -Horizontal Flow Steam Separators
The type DST Model is our most popular line. We design and manufacture these steam, air, or gas moisture (water) separators in the USA, and they are for a horizontal flow configuration. In Addition, they have the same guaranteed separator efficiency as all of our standard models: 99% removal of all entrainment 10 microns and larger.
The advantage of the type DST Model is that it can handle larger liquid loads. For example, the standard DST models can manage a flow of 40% liquid by weight of the unit’s flow capacity. And, custom units can be designed to handle much more than that. This liquid removal capacity is much higher than our type DSL Model separator when operated in the horizontal flow configuration.
Well, it depends on your needs. Often, customers choose type DST air, steam, or moisture separators, even when the liquid load is very low. This preference is because during start-ups or shut-downs large liquid loads are present. Or, they might expect to get a stray slug of water or oil through the line. Therefore, the DST Model can handle all cases for a horizontal flow. Keep in mind the standard type DSL and DSU models can also take large liquid loads, but only in vertical up or down flows.
The type DST Models are slightly more expensive than the DSL Models. So, if you have a very small percentage of liquid in your flow, and you never expect to see much, then the type DSL model might be a better choice. Either way, we have you covered. Please contact us to select the right model and size for your application. If needed, we will custom design a unit for your needs. We are eager to be your separator supplier!
These units are used for a wide variety of operations by multiple industrial sectors. Some of the typical application areas include:
- Paper Mills
- Flare Stacks
- Gas Pipelines
- Oil Refineries
- Air Conditioning
- Soil Vapor Extraction
- Petrochemical
- Refrigeration Systems
- Compressor Systems
- Geothermal Power Plants
- Combined Cycle Power Plants
- Natural Gas Processing
- Air or Steam Line Moisture Separators
- Vessel body made of carbon steel with high-temp paint.
- Internal elements are made of 304 stainless steel.
- Units remove 99% of all droplets 10 microns and larger from gas or steam.
- Efficiency maintained from 25% to 125% of the designed flow rate.
- Corrosion allowance of 1⁄16” ensures years of steam or air moisture separator service.
- 150# standard models rated for pressures up to 150 psig at 500° F.
- 300# standard models rated for pressures up to 500 psig at 650° F.
- The quality of design and build that our customers have come to expect.
