- Home
- Companies
- Iverna 2000 S.L.
- Products
- IVERNA - Model Sugargate - Non Return ...
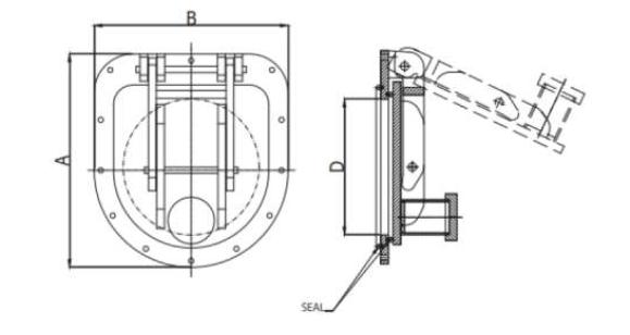
IVERNA - Model Sugargate -Non Return Flap Valve for Urban Sanitation
Practical and simple solution to eliminate the return of wastewater as well as bad odors and pests of rats, cockroaches and other insects coming from the sewage. It is an ideal product for situations that require a slight loss of load in the direction of flow and when a great tightness is needed in the opposite direction; as for example in sewers, spillways, sewage treatment plants, tanks or manholes, to prevent non-desired backflow waters.
Its function is to prevent water from returning to the system. Flap valves may be mounted at sewage systems outlets or culverts (for agricultural drainage ditches and natural water courses) as well as in eflluent channels with an unstable water level. Flap valves can only be mounted to gravity sewer systems (non-pressure). They are not suitable for pump loads in particular to high-efficiency pumps.
The valve is activated by a water pressure acting on the plate. The lid remains closed until the increasing pressure of the water flowing from the pipe opens it, but closes when the pressure increases from the side of the receiver.
- Flap valve – flat, wall-mounted.
- Flap valve – tapered, installation outside the pipe.
- Flap valve – tapered, installation inside the pipe.
- Flap valve – tapered, wall-mounted.




