- Home
- Companies
- JAG Jakob Ltd.
- Products
- JAG - Model MES - Manufacturing ...
JAG - Model MES -Manufacturing Executions System
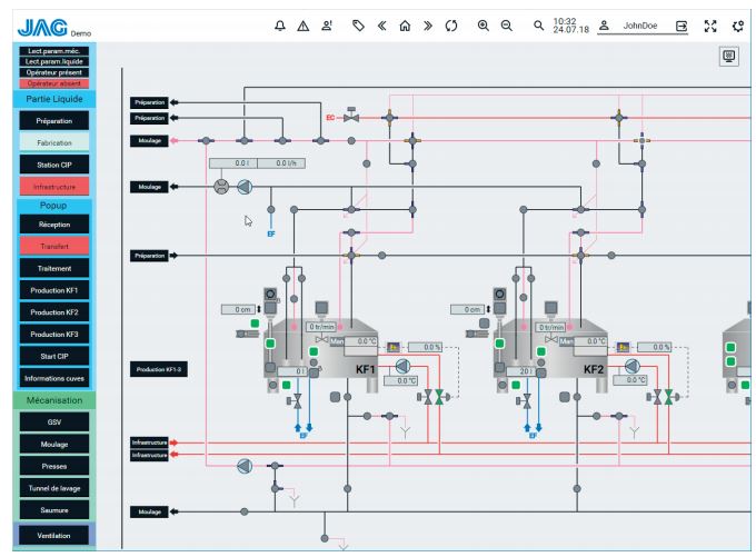
JAG MES is an up-to-date framework for the plant management and process control level (MES and SCADA). Thanks to the modular architecture, the JAG MES solution can be easily configured. Depending on the requirements, standard modules can be activated. If required, the JAG MES can be supplemented with industry-, customer- or project-specific modules. The seamless integration of process control into the Manufacturing Execution System allows automated processes and user interventions to be combined in an individual recipe.
JAG Jakob AG Process Engineering, your partner for plant construction and process automation offers JAG MES, a web-based solution that combines Process Control System and MES functionality. It provides the benefit of a modular solution for convenient and efficient plant operation.
JAG MES is suitable for an extensive range of applications. Apart from conventional process facilities, JAG MES is also used for industrial control and infrastructure applications.
- Web-based “All in One” solution:
- visualization
- operator dialogs
- article, order and recipe management
- user management and access control
- capture and display of historical data
- daily protocols and logbooks
- ƒModular structure - easy to extend
- ƒModules available for specific branches, e.g. for cereals processing
- Operation via a web browser; exisiting PCs, tablets or smartphones serve as clients
- Remote access readily possible
Clients
PCs, tablets or smartphones with web browser and a connection to the MES server
Server
MES application and webserver based on standard technologies.
Database
SQL server-based central data storage
