- Home
- Companies
- MER-MADE FILTER, INC.
- Products
- MER-MADE - Model 143 Series - ...
MER-MADE - Model 143 Series -Commercial Pool Sand Filter System
MER-MADE`s rugged fiberglass tanks are a breakthrough in filter manufacture. These long life tanks are designed for 50 psi working pressure in three different diameters and a variety of lengths, with filter areas up to 45.5 square feet.
Filtration is the physical process of removing solids through a substrate. If not eliminated those solids can interfere with and impede the water purifying process. Mer-Made utilizes a multimedia substrate for our sand filters. Two grades of gravel below a top level sand bed provide proven industry-leading water clarity.
Solids are captured in the filter bed itself while solid particles lodge in the extremely small spaces and voids between the sand grains and lotions and oils tend to cling to the grains of filter sand. Gravel/stone serves as a barrier which prevents the sand from washing through the effluent header into the pool during the filter cycle and also to distribute the flow of water uniformly to the underside of the sand bed during the backwash cycle.
Single tank
Dual tank
Multiple tank
SYSTEMS AVAILABLE
FILTERING:
Up to 20 GPM per sq. ft.
BACKWASH:
15 GPM per sq. ft.
- Variety of filter areas
- Stackable
- Numerous Face Piping Arrangements
- Area Up To 81.6 Square Feet
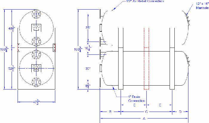
Filter tanks are manufactured from fiberglass using heavy woven cloth as necessary for strength and have a minimum wall thickness of 0.3″. Filter tanks are designed for 50 psi working pressure with a safety factor of 4 to 1. They are factory tested at 75 psi. The effluent header is designed so that uniform collection of filtered water and distribution of backwash water is provided under the entire media area. The pipe is slotted PVC. The total area of slots in the filter is equal to (4) times the area of the inlet pipe. The orifices in top laterals are equal to (7) times the area of the inlet pipe. The filter tank is provided with 12″ x 16″ fiberglass elliptical manway with gasket, yoke, and bolt cover which is sealed by internal pressure. The filter is designed for a filter rate of up to 14 GPM per square foot of filter area and a backwash rate of 15 GPM per square foot of filter area.
Standard Features
- 16 sq. ft. – 45.5 sq ft. surface area
- (2) tank support saddles
- Manufactured with a minimum wall thickness of 0.3”
- 50 psi working pressure with a safety factor of 4 to 1 and tested to 75 psi
- (1) 12 X 16 gasketed man-way sealed by internal pressure
- 4 to 6” sch 40 PVC slotted under-drain headers
- 4 to 6” sch 80 PVC underdrain header with laterals
- 4 to 6” sch 80 PVC inlet header with diffusers
- Multiple Face piping configurations
- Stacked or side by side configurations
- Custom Configurations


