- Home
- Companies
- Dosch Messapparate GmbH
- Products
- Dosch - Model BLB 300 - Orifice Plates ...
Dosch - Model BLB 300 -Orifice Plates with Single Bore Taps
Orifice plates with single bore pressure taps are used as flow elements for flow measurement of aggressive and non-aggressive gases, steam and liquids.
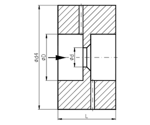
These orifice plates include a carrier ring where the single bore pressure taps are located. The carrier ring and the orifice plate are manufactured in one piece. Depending on the process conditions, the plate type may be manufactured as
- square edge concentric
- quarter circle nozzle
- segmental
- plate with conical entrance double cone
according to the relevant standards (ISO 5167, ASME MFC-3M etc.). The plate type is chosen based on the specific process conditions. The orifice plate edge is typically manufactured from a wear-resistant material like stainless steel. The material of the carrier ring can be equivalent to the pipe material. The compact design alternative (BLB 300 K) makes it possible to directly mount a manifold and the transmitter onto the orifice plate.
- Compact and economical construction for use with small installation lengths.
- Clogged pressure taps can be cleaned easily.
Compact design (BLB 300 K):
- External influences can be avoided, e.g. temperature, vibration, different elevations of pressure taps
- Installation costs are reduced because separate pressure tap piping are not needed.
- We can provide a complete unit of the orifice plate solution with integral manifold and transmitter mounted.
Ranges from 0,5% -1,2% of the discharge coefficient C, depending on the application.
The pressure loss depends on the diameter ratio p (d/D) and ranges from 30 - 80% of the differential pressure.
