- Home
- Companies
- Regulator-Cetrisa
- Products
- Regulator Cetrisa - Model R-SLB - Cans ...
Regulator Cetrisa - Model R-SLB -Cans and Briks Sorter
The Cans & Briks* SORTER (R-SLB) is classifying equipment that processes the flow of material made up of cans and briks1 that are previously separated from the general flow of the Municipal Solid Waste by means of an Eddy Current Separator. The cans undergo the most influence and are thrown ahead, where they are distinctly separated from the briks. ¹Brik: Package very used for beverages and sauces into the food industry. Carton+aluminium+plastic complex made of.
Both iron and non-iron metals make up one of the groups of materials to be more present in waste reduction, since they involve a high recovery. Aluminium should be considered the most important noniron metal as it is highly present in our daily lives (cans, boxes, coffee makers, automobiles, etc.) and can be reprocessed innumerable times. Into Urban Waste Treatment process, CANS & BRIKS1 are the most representative materials made of aluminium. Aware of the serious environmental problem, REGULATOR-CETRISA has developed a complete line of Cans & Briks Sorting Equipment by Eddy Current Separator (R-SLB), in order to get two completely separated fractions.
The physical principle of the Eddy currents is based on an alternative magnetic field, meaning, in a magnetic field where the North and South Poles alternate.
Let`s imagine a simple magnet. The lines of force that generate the magnetic field close from one magnetic pole to the other (N-S). If we place an iron metal within the lines of force, these will provoke their attraction towards the magnet. On the contrary, if we place a non-iron metal within the lines of force, these will not produce any effect on the non-iron metal.
However, if the non-iron metal is subject to an alternative magnetic field, internal currents will be created that are called Eddy Currents. These Eddy Currents generate a magnetic field that opposes the magnetic field generated by the magnet. This strong opposition of magnetic fields provokes repulsion between them and therefore the non-iron metal will be literally thrown off its natural path, being separated from the rest of the materials.
Thanks to a previous Eddy Current Separator (R-SPM), cans and briks are altogether separated from the rest of materials. After that, whole cans and briks are processed by the CANS&BRIKS Sorting Equipment (R-SLB) -Regulator-Cetrisa patented machinery-. When both, cans and briks reach the head roller, which has been especially designed for processing these materials, an alternative magnetic field provokes that cans go through an effect of repulsion and jump a certain distance ahead of the drum, while briks are not influenced and follow the natural parabolic falling path.
Cans & Briks Sorting Equipment (R-SLB) has a conveyor belt that can handle large volumes of processed material. A robust metallic structure is the support for two rollers: the pulling roller, a belt drive that moves the conveyor belt at adequate speed, and the head roller, or Inductor Drum, responsible for generating the Eddy Currents. To obtain a high alternation of magnetic poles, the drum rotates at a high speed. REGULATOR-CETRISA has equipment with admissible rotation speeds higher than 3,000 r.p.m.
The Inductor Drum is made up of two perfectly concentric drums, where the interior drum is the generator of the Eddy Currents, and the exterior drum rotates at the transmission speed of the conveyor belt. The exterior drum is made of material that is completely transparent to the magnetic and induction fields, in order to avoid the screen and dispersion effects. This way, the loss of IR is reduced to zero.
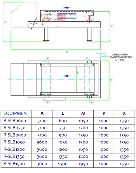
REGULATOR-CETRISA offers equipment with different configurations and effective working widths up to 1.500 mm, adapted to line up after an Eddy Current Separator (R-SPM).

REGULATOR-CETRISA uses all of its experience to determine the ideal equipment for every application. Besides its own experience from innumerable applications, the technical department evaluates all the necessary parameters, such as: flow, density, humidity, aggregate grading, etc.
REGULATOR-CETRISA offers the possibility of testing materials in its own facilities, where the client can verify the effective separation of the metals. This way, we can ensure satisfactory results.
REGULATOR-CETRISA, thanks to its continued investment in R&D&I, offers the best technology for integrating equipment and systems into its processes and Complete Turnkey Installations.
