Agilaire, LLC
- Home
- Companies
- Agilaire, LLC
- Products
- Agilaire - Model 8809 - Valve Control ...
Agilaire - Model 8809 -Valve Control System for Gas Analyzers
FromAgilaire, LLC
With the increasing ability to control gas analyzers remotely, some site visits are only necessitated by the need to switch inlet filters and perform leak checks.
Most popular related searches
gas analyzer
leak check
sampling pump
filter leak
gas controller
gas control
control valve
manifold valve
sampling valve
can leak
Until now.
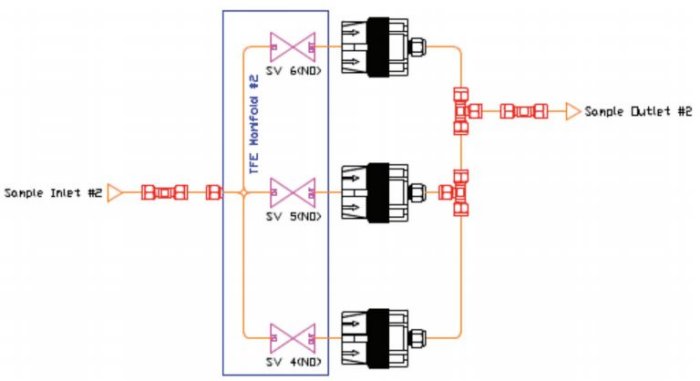
The Model 8809 Valve Panel allows you to remotely switch three analyzers through three sets of filters. You can also perform automated leak checks through your Agilaire Model 8872 data logger.
All components are PFE coated (valves, tubing, manifold, and connectors). Indicator lights indicate activated/closed valves, and are controlled through a Modbus-compliant control module, compatible with the Model 8832, Model 8872, or other Modbus-compatible loggers. Solenoids operate in a normally open environment for ‘fail safe’ operation to protect analyzer sample pumps.
- Dimensions : 17” Rack Mount, 22” High, 14” Deep
- Power Requirements : 120VAC



