Shanghai Wal-Joean International Trade Co., Ltd.
- Home
- Companies
- Shanghai Wal-Joean International Trade ...
- Products
- Wal-Joean - activated carbon ...
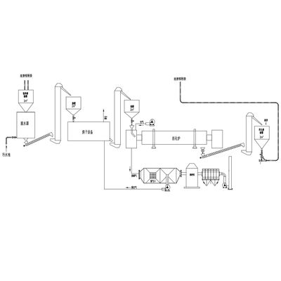
Wal-Joean - activated carbon regeneration system
The system includs: activated carbon storage, regeneration devices, hot flue gas circulation, material circulation conveying, materials feeding, regeneration procedure control , etc. It developed and adopted in China and some asia countries for decade. With the targeted regeneration process module, it makes the regeneration process route much more efficient, faster and cost-saving. The cost of regeneration greatly reduced. With low energy consumption, no water consumption, and basically no additional manual intervention is required. It can by customized according to requirement or practical application. The capacity of the system could be from 1metric ton to 25metric ton per day according to requirement. It can be connected in series with the adsorption system. Note: This system not suitable for saturated activated carbon in powder or saturated powdered activated carbon. If interested, please contact us for more information.Most popular related searches
