Salher
SALHER - Model CVC-PB-A -Water Pumping Station for Small Flows
FromSalher
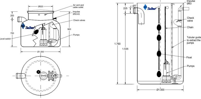
Pumping station for small flows manufactured in accordance with the UNE-EN 12050-1 Standard. The CVC-PB-A-1 model has one single-phase pump, with level float regulator. Concerning the other models are composed of a GFRP tank, 2 pumps with alternate operation, 3 level regulators, check valves and shut-off valves. Automatic coupling of pumps for hoist at full tank.
Most popular related searches

