- Home
- Companies
- DILO Armaturen und Anlagen GmbH
- Products
- DILO - Model H2-Z003R11 - H2 Filling ...
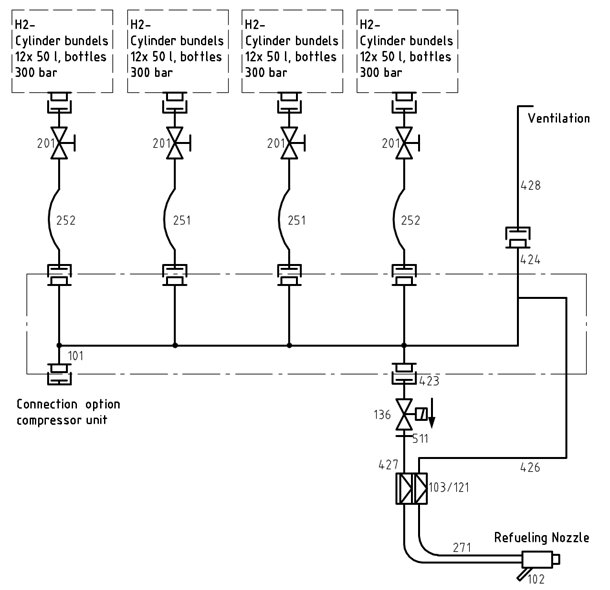
DILO - Model H2-Z003R11 -H2 Filling Station
The H2 filling station enables the refueling of gaseous hydrogen from up to 4 different H2 storage tanks (cylinder bundles). The filling process is simple and uncomplicated, it can be started quickly and runs automatically. Depending on the pre-pressure in the H2 storage tanks, a vehicle can be refueled up to a maximum of 300 bar. Gas type: H2.
Most popular related searches
- Paint: blue-anthracite
Electrical data:
- Electrical conneting cable: >= 1,5 mm“ (AWG 15)
- Cable with plug 16 A
Pressure sensors:
- Measuring range: 0 - 400 bar
Connection to the vehicle:
- 1x 3 m Hose with connection couplings to the vehicle TK16-H35. (Hose lengths and connection couplings can be specified individually)
Gas supply:
- 4x hydrogen bundles, max. pressure 300 bar (gas and gas cylinders not included in the scope of delivery)
- Dimensions (W x H x D): 1,200 x 2,280 x 800 mm
- Weight: 250 kg: (empty)
- Sound level: < 70 dB
- Ambient temperature: 0 to +40 °C
- Storage temperature: -20 to +60 °C
- Ambient moisture: < 90 %: r. h. non-condensing
- Protection class: IP 44
- Height: mm: max. 2000 m above sea level
- Operating voltage: 230 V: AC
- Frequency: 50/60 Hz

