- Home
- Companies
- DILO Armaturen und Anlagen GmbH
- Products
- DILO - Model H2-Z002R21 - H2 Service ...
Most popular related searches
H2S
gas cylinder storage
industrial gas
H2S monitoring
pressure sensor
gas monitoring
leak detection
gas leak detection system
pressure monitoring
anthracite
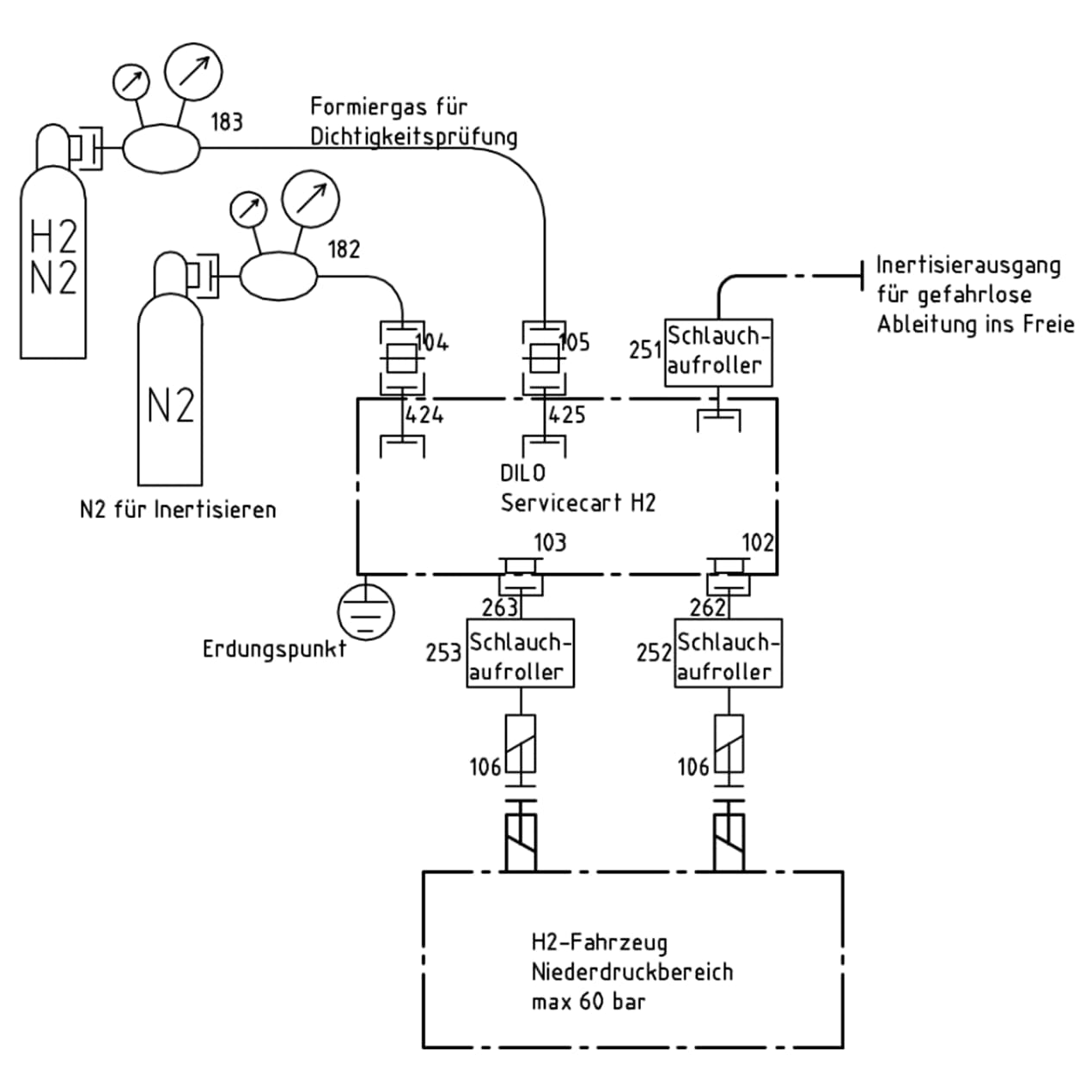
- Depressurisation of the hydrogen system (low-pressure system max. 60 bar)
- Inertisation of the system with nitrogen
- Residual gas measurement to confirm that the system is hydrogen-free
- Purging with forming gas for subsequent leak tests
- Leak tests to detect leaks after service
The device can be used for hydrogen systems up to a pressure of max. 60 bar. Line systems with higher pressure must be separated by means of shut-off devices in the vehicle.
- Paint: blue-anthracite
Electrical data:
- Electrical conneting cable: >= 1,5 mm“ (AWG 15)
- Cable with plug 16 A
Pressure sensors:
- Measuring range: 0 - 60 bar
- Measuring range H2 sensor: 0 - 100 vol-% in nitrogen
Connection to the vehicle:
- 2x DN8, connecting couplings to the vehicle, can be individually specified
- 1x connection to a suitable exhaust air device or for venting the gas outside the workshop. (Hoses not included in delivery. Hoses can be supplied by DILO as accessories according to customer specifications)
Gas supply:
- 1x for nitrogen
- 1x for forming gas (5% H2 in 95% N2)
- Gases and gas cylinders are not included
- Dimensions (W x H x D): 500 x 370 x 625 mm
- Weight: 50 kg: (empty)
- Sound level: < 70 dB
- Ambient temperature: 0 to +40 °C
- Storage temperature: -20 to +60 °C
- Ambient moisture: < 90 %: r. h. non-condensing
- Protection class: IP 44
- Height: mm: max. 2000 m above sea level
- Operating voltage: 230 V: AC
- Frequency: 50/60 Hz

